Balksko utvändig infästning
Balkskor används när man vill sätta ihop reglar på samma plan. Balkskor fästs i en regel, stolpe eller vägg och därefter fästs avväxlingen i beslaget. Balkskor finns med utåtvända flikar samt med inåtvända flikar, dessa balkskor har utvändiga flänsar.
Denna modell är tänkt att användas primärt då avväxlingen skall ske på horizontell bärlina, så som illustreras av bild nedan.
Balksko med utvändig infästning mot bärlina
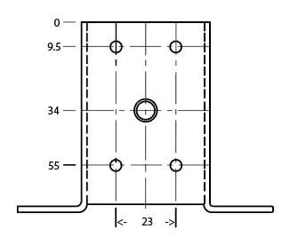
Balksko hålbild på underdel

Underdelen är alltså den del avväxlingen vilar i, när du står under den. Den nedre delen på skissen är där balksko som går mot bärlina vare sig det är trä, betong eller stål.
1 st Bulthål 9 mm infästning med konstruktionsskruv, fransk skruv eller vagnsbult.
4 st Spikhål 5 mm infästning med ankarskruv, eller ankarspik för den som fortfarande använder det.
Balksko mot trä, betong eller lättbetong
Balkskon med utvändiga flikar är utrustad med extra stora hål, för att klara av kraftigare infästning i betong där man oftast inte kan sätta expandern eller betongskruven såpass tätt som med ankarskruv och därför går upp i dimension. Dessa hål är vanligen 11mm eller 13mm.
CE-märkt
Balskons konstrutkion är testad och följer standarderna ETA-11/0478 och ETAG 015
För utomhusbruk - Korrosionsklass C3

Balkskon är väl anpassad för Svenskt klimat, varmfözinkad yta håller korrosionsklass C3
Skiss med skillnaderna på hålbilden

Balkskons bärigheten
Balkskon är en vital och bärande konstruktionsdetalj - därav CE-märkningen och den höga klassen på rostmotståndet. Vi dimensionering skall lasterna fördelas på de ankarskruv som balkskon har hål för. Större laster kräver fler ankarskruv, alternativt får bulthålen användas med konstruktionsskruv. Sker montage mot betong skall betongskruv användas, är det mot stål, finns balkskruv till detta. Balkskons höjd avgör antalet spik och bulthål samt därmed bärigheten.
Respektive balkskon hålbild
| |
5 mm | 7 mm | 9 mm | 11 mm | 13 mm |
| 45x97 |
6 st |
2 st |
- |
2 st |
- |
| 45x107 |
8 |
2 |
- |
2 |
- |
| 45x137 |
12 |
2 |
2 |
- |
2 |
| 45x167 |
18 |
2 |
2 |
- |
4 |
| 45x197 |
24 |
4 |
2 |
- |
4 |
| 48x97 |
6 |
2 |
- |
2 |
- |
| 48x135 |
12 |
2 |
2 |
- |
2 |
| 48x165 |
18 |
2 |
2 |
- |
4 |
| 51x95 |
6 |
2 |
- |
2 |
- |
| 51x104 |
8 |
2 |
- |
2 |
- |
| 51x135 |
12 |
4 |
2 |
- |
2 |
| 51x165 |
18 |
4 |
2 |
- |
4 |
| 51x194 |
24 |
4 |
2 |
- |
4 |
| 76x122 |
12 |
4 |
- |
2 |
2 |
| 76x152 |
18 |
4 |
- |
2 |
4 |
| |